Схема пуска асинхронного двигателя с фазным ротором, функции времени.
Для уменьшения пускового тока и увеличения пускового момента — в цепь ротора включают токоограничивающий резистор R, ступени которого включены в цепь не только вовремя пуска, и торможении, а также при реверсе электродвигателя с фазным ротором.
Двигатель будет разгоняться по искусственной характеристики с большим пусковым моментом и меньшим пусковым током. По мере разгона ступени резистора будут шунтироваться до полного вывода из цепи (обмотка ротора закорочена), а следовательно электродвигатель перейдёт на свою естественную характеристику. Пуск окончен.
Схема пуска двигателя с фазным ротором, функции тока.
Схема подключения двигателя с фазным ротором, функции времени.

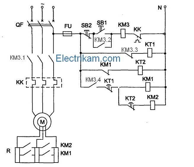
Схема подключения двигателя фазным ротором представлена на рисунке 1. В данной схеме используется управление функции времени и двухступенчатый пусковой резистор.
Включением автоматического выключателя QF напряжение подается на управляющую и силовую цепь. Это приводит к срабатыванию реле времени КТ1, КТ2 которые размыкают свои контакты. Нажатием кнопки SB1 “Пуск” подключается магнитный пускатель КМ3, который:
размыкает контакты:
- КМ3.3 — снимает напряжения с реле времени КТ1, которое, после окончания выдержки времени, размыкает свои контакты КТ1.
замыкает контакты:
- КМ3.1 в цепи статора — двигатель запускается с включенными в цепь ротора двумя ступенями резистора, так как контакторы КМ1 и КМ2 питания не получают. До истечении выдержки времени КТ1.
- КМ3.2 — шунтирует кнопку “Пуск” (позволяет не удерживать кнопку SB1 в нажатом положении)
- КМ3.4 – в цепи катушек магнитных пускателей КМ1 и КМ2, но до окончания выдержки времени КТ1 пускатели КМ1 и КМ2 не получают питания.

Рисунок 1.1 GIF — анимация схемы работы пуска асинхронного двигателя с фазным ротором Для удобства просмотра — в конце статьи выложены все кадры анимации.
По истечении времени выдержки, КТ1 срабатывает и замыкает свои контакты – по катушке КМ1 протекает ток, пускатель срабатывает и шунтирует первую ступень пускового резистора R. Одновременно своими нормально замкнутыми контактами КМ1.1 обесточивает реле времени КТ2. До окончания выдержки времени КТ2 двигатель разгоняется только со второй ступенью сопротивления. После окончания выдержки резистор полностью шунтируется и двигатель переходит на свою естественную механическую характеристику. Пуск окончен.












