Метод эквивалентного генератора

Метод эквивалентного генератора применяется для определения тока одной из ветвей электрической цепи в том случае, когда расчет всей схемы не требуется. В основу метода положена теорема об активном двухполюснике (теорема Гельмгольца-Тевенена). Основная идея метода заключается в том, что часть цепи, параметры которой определять нет необходимости, заменяется эквивалентным генератором с известной эдс и сопротивлением. Метод часто применяется для расчета режима электрической цепи.

Алгоритм состоит из следующих шагов:

  1. Выбранная для расчета ветвь удаляется из схемы, а места образовавшегося разрыва обозначаются буквами. Оставшаяся часть схемы будет представлять собой эквивалентный генератор.
  2. Рассчитывается эквивалентная эдс генератора.
  3. Определяется эквивалентное сопротивление генератора.
  4. По найденным в пунктах 2 и 3 параметрам генератора определяется ток через исключенную в пункте 1 ветвь.

Метод эквивалентного генератора: примеры решения

Рассмотрим пример расчета электрической схемы методом эквивалентного генератора (рисунок 1).

Метод эквивалентного генератора
Рис. 1. Метод эквивалентного генератора

Допустим, что необходимо рассчитать ток Iab через резистор R4. Тогда преобразования схема будет иметь вид, представленный на рисунке 2.

Рис. 2. Эквивалентная электрическая схема
Рис. 2. Эквивалентная электрическая схема

После преобразования ток через резистор Rab (R4) определяется по формуле

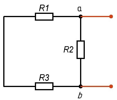
Для того, чтобы рассчитать значения Еэкв и Rэкв необходимо рассмотреть режим холостого хода генератора. Для этого необходимо обеспечить его работу без нагрузки, то есть условно отсоединить от цепи исследуемую ветвь ab (рисунок 3).

Рис. 3. Режим холостого хода генератора
Рис. 3. Режим холостого хода генератора

Для представленной схемы напряжение Еэкв будет равно

Далее требуется определить эквивалентное сопротивление. Для этого воспользуемся методом пассивного двухполюсника. В этом случае необходимо исключить из схемы источник эдс и найти общее сопротивление цепи (рисунок 4).

Рис. 4. Схема без источника эдс
Рис. 4. Схема без источника эдс

Эквивалентное сопротивление полученной схемы определяется по формуле

Теперь можно определить ток, проходящий через резистор ab согласно выражению (1).

Поставленная задача решена.